Нагрузочные диаграммы механизмов грузового крана
При выполнении грузовых операций судовым краном его нагрузочные характери
стики представляются работой трех механизмов: механизма подъема, механизма изме-
нения вылета стрелы и механизма поворота. Упрощенная нагрузочная диаграмма рабо
ты всех трех ЭП указанных механизмов при погрузке судна представлена на рис. 13.7.
После застропки груза включают ЭД механизма подъема, который работает с моментом М 

В течение времени t 
мая стрелу с грузом так, чтобы нок стрелы после ее поворота оказался над люком трю-
ма. По мере уменьшения вылета уменьшаются также плечи сил тяжести груза и стрелы, что объясняет уменьшение момента на валу ЭД от значения М 

Рис. 13.7. Нагрузочная диаграмма электропривода грузового поворотного крана:
механизмов подъема ( а ), вылета стрелы ( б ) и поворота ( в )
В конце этого периода груз оказывается над люком трюма, куда и опускается в течение времени t 
можения с моментом M 
После расстропливания груза в трюме ( время t 


Далее следует поворот крана с выводом нока стрелы за борт (время t 






Застропливанием этого груза в течение времени t 
Условия работы ГПМ
Современный электропривод судовых грузоподъемных механизмов как отечествен-
ный, так и зарубежный изготавливается с использованием специализированных электрических машин и аппаратов, отвечающих особым требованиям эксплуатации.
Специфические условия судовой эксплуатации электрооборудования
грузоподъемных механизмов в основном сводятся к следующим: высокая влажность воздуха вплоть до выпадения росы, высокая температура окружающей среды, качка судна, повышенная вибрация. Все оборудование грузоподъемных устройств, установленное на открытых палубах, должно быть рассчитано на обливание морской водой, а также на кратковременные погружения в волну, заливающую палубу, на возможность обледенения. К оборудованию предъявляются более высокие требования по прочности и коррозийной стойкости.
Главное различие электроприводов судовых грузоподъемных механизмов от берего-
вых заключается в их питании от электростанций соизмеримой мощности. Приходится искать комплексное решение задач по обеспечению стабилизации параметров тока и устойчивости работы электростанции с мощными электроприводами грузовых устройств, а также по выбору наиболее целесообразных электродвигатели и систем управления, позволяющих уменьшить пиковые нагрузки в условиях частой работы в динамических режимах.
Режимы работы ГПМ
Электроприводы ГПМ работают в повторно-кратковременном режиме, который в
соответствии с международной классификацией обозначается S3.
Этот режим характеризуется частыми пусками и остановками электродвигателя ГПМ.
В общем виде цикл работы грузовой лебедки состоит из следующих 8 операций:
2. перенос груза в горизонтальной плоскости;
4. расстройка груза;
5. подъем холостого гака;
6. обратное перемещение гака в горизонтальной плоскости;
7. опускание холостого гака;
Грузовые операции могут осуществляться одной лебедкой, двумя лебедками или грузовым краном.
Для обоснованного выбора режима эксплуатации ЭП, а также для выбора ЭД по мощности необходимо прежде всего знать, как изменяется нагрузка на валу ЭД во вре-
мени. С этой целью используют нагрузочные диаграммы, представляющие собой зависимость момента на валу двигателя от времени, т.е. М ( t ).
Ниже рассматриваются нагрузочные диаграммы для таких режимов работы ГПМ:
Выбор цикла работы крана. Построение нагрузочной диаграммы
При работе крана направления движения крана, тележки и крюка постоянно чередуются. Работа механизма подъема состоит из периодов подъема и опускания груза и периодов подъема, и опускания пустого крюка. Для увеличения производительности крана используют совмещение операций, например, одновременное передвижение крана и тележки. Во время навешивания груза на крюк и освобождения крюка двигатель отключен, и механизм подъема не работает.
Для кранов общего назначения «Правилами Госгортехнадзора» установлены режимы работы: легкий, средний, тяжелый, весьма тяжелый. Для каждого механизма режим работы определен отдельно, для крана в целом – по механизму главного подъема.
Для проектирования принимаем Средний режим, характеризуется работой с различными грузами на средних скоростях движения, со средним числом включений в течение одного часа, средней относительной продолжительностью включения. В этом режиме работают, например, механизмы подъема и передвижения кранов формовочных отделений, механических и сборочных цехов со среднесерийным производством и ремонтно-механических цехов.
Рассматриваем как наиболее вероятный следующий цикл работы крана:
1) Загрузка (закрепление груза).
2) Подъём максимального груза с минимальной скоростью.
3) Перемещение груза на половину длины цеха с минимальной скоростью.
4) Спуск с минимальной скоростью.
6) Подъём пустого грузозахватывающего устройства с максимальной скоростью.
7) Быстрое перемещение крана обратно.
8) Спуск пустого грузозахватывающего устройства с максимальной скоростью.
Рассчитаем мощность при подъёме максимального груза с минимальной скоростью:
![]() | (2.1) |
где 



Скорость спуска считаем примерно равной скорости подъёма. Находим мощность при спуске максимального груза:
![]() | (2.2) |
Рассчитывая мощности при подъеме и спуске пустого грузозахватывающего устройства, необходимо учесть снижение КПД при неполной загрузке механизма подъёма. Коэффициент загрузки при этом равен:
![]() | (2.3) |
В зависимости от этого коэффициента и номинального значения КПД по кривым находим значение КПД при неполной загрузке ηо = 0,4.
Находим мощность подъёма пустого грузозахватывающего устройства, кВт:
| (2.4) |
Рассчитаем мощность при спуске пустого грузозахватывающего устройства, кВт:
![]() | (2.5) |
Для упрощения построения нагрузочной диаграммы и дальнейших расчётов времена будем выражать в минутах.
Времена подъёма и спуска максимального груза, мин.:
![]() | (2.6) |
Времена подъёма и спуска пустого грузозахватывающего устройства, мин.:
![]() | (2.7) |
Время перемещения крана с грузом на половину длины цеха и возвращения крана обратно без груза равны соответственно, мин.:
![]() | (2.8) |
![]() | (2.9) |
Времена перемещения тележки с грузом на длину моста и возвращения крана обратно без груза равны соответственно, мин.:
![]() | (2.10) |
![]() | (2.11) |
Как правило, нагрузочные диаграммы электропривода строятся на основании расчетов переходных режимов. Однако, если точность в определении длительности переходных процессов и характера изменения момента электродвигателя не имеет существенного значения, то нагрузочную диаграмму можно построить упрощенным методом. В этом случае действительное изменение тока или момента при пуске и торможении по экспоненциальным кривым заменяют прямоугольным графиком, то есть предполагают, что в переходных режимах ток и момент остаются неизменными и равными их среднему значению.
Если статический момент постоянен, то при принятых допущениях ускорение электропривода в процессах торможения и разгона остается постоянным, а скорость будет изменяться по линейному закону.
Статическая нагрузочная диаграмма, рассчитанная по исходным данным и формулам строится в соответствующем масштабе и представлена на рисунке 2.
Рисунок 2- Нагрузочная диаграмма двигателя за цикл работы
Выбор двигателя по мощности имеет целью обеспечить его нормальную работу без перегрузки (перегрева). Основой для выбора является нагрузочная диаграмма. Она рассчитывается и строится для наиболее характерного режима работы механизма. После её построения и обработки выбор двигателя выполняем методом эквивалентной мощности.
Нагрузочные диаграммы механизмов грузового крана
При выполнении грузовых операций судовым краном его нагрузочные характери
стики представляются работой трех механизмов: механизма подъема, механизма изме-
нения вылета стрелы и механизма поворота. Упрощенная нагрузочная диаграмма рабо
ты всех трех ЭП указанных механизмов при погрузке судна представлена на рис. 13.7.
После застропки груза включают ЭД механизма подъема, который работает с моментом М 

В течение времени t 
мая стрелу с грузом так, чтобы нок стрелы после ее поворота оказался над люком трю-
ма. По мере уменьшения вылета уменьшаются также плечи сил тяжести груза и стрелы, что объясняет уменьшение момента на валу ЭД от значения М 

В период времени t 

Рис. 13.7. Нагрузочная диаграмма электропривода грузового поворотного крана:
механизмов подъема ( а ), вылета стрелы ( б ) и поворота ( в )
В конце этого периода груз оказывается над люком трюма, куда и опускается в течение времени t 
можения с моментом M 
После расстропливания груза в трюме ( время t 


Далее следует поворот крана с выводом нока стрелы за борт (время t 






Застропливанием этого груза в течение времени t 
Дата добавления: 2015-04-18 ; просмотров: 10 ; Нарушение авторских прав
Курсовая работа: Проектирование электропривода подъема мостового крана
| Название: Проектирование электропривода подъема мостового крана Раздел: Промышленность, производство Тип: курсовая работа Добавлен 06:23:42 12 ноября 2010 Похожие работы Просмотров: 2149 Комментариев: 21 Оценило: 2 человек Средний балл: 5 Оценка: неизвестно Скачать | |
![]() |
Рисунок 1.4 – Механические характеристики рабочей машины
Электропривод механизма подъема мостового крана питается стандартным трехфазным напряжением 380 В частотой 50 Гц. В промышленной сети возможны значительные броски напряжения, а также могут возникать аварийные ситуации, поэтому необходимо обеспечить работоспособность установки при возможных колебаниях напряжения в сети и обеспечить защиту от токов короткого замыкания. Для этого привод подключаем к сети через автоматический выключатель, который также обеспечивает защиту двигателя от возможного короткого замыкания, как со стороны питающей сети, так и со стороны нагрузки.
Управление краном осуществляется непосредственно оператором-крановщиком, поэтому управление должно быть относительно простым, позволяющим легко управлять разгоном и торможением крана, а так же осуществлять фиксированный режим работы на номинальных скоростях перемещения.
3. Выбор принципиальных решений
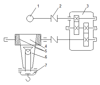
Кинематическая схема электропривода механизма подъема изображена на рис. 3.1.
Вал двигателя через муфту соединен с входным валом редуктора. Редуктор понижает скорость вращения и одновременно увеличивает момент. Выходной вал редуктора соединен через муфту с канатным барабаном. Полиспаст крепится на двух канатах. К полиспасту крепится грейфер. Полиспаст предназначен для уменьшения линейной скорости грейфера. Канатный барабан посредством ременной передачи соединен с кабельным барабаном, предназначенным для подачи питающего кабеля.
![]() |
Составление расчетной схемы механической части электропривода приведено в пункте 4.2
На рис. 3.1 введены следующие обозначения:
7 – грузозахватывающего устройства;
Для приведения в движение механизма крана можно использовать несколько вариантов двигателей. Это может быть двигатель постоянного тока независимого или последовательного возбуждения, может быть асинхронный двигатель. Можно применять двигатели общепромышленного исполнения. Также промышленностью выпускаются специальные крановые серии двигателей постоянного и переменного тока. Каждый из этих двигателей имеет свои достоинства и недостатки. Так, например, двигатели постоянного тока позволяют легко и хорошо регулировать скорость вращения, но по габаритам они намного превосходят двигатели переменного тока. Асинхронные двигатели по габаритам меньше, но система регулирования двигателей переменного тока сложнее.
Возможными способами регулирования скорости вращения двигателей постоянного тока являются регулирование напряжения питания с помощью управляемых выпрямителей для двигателей с независимым возбуждением и шунтированием якоря для двигателей с независимым и последовательным возбуждением.
Для управления асинхронным двигателем с короткозамкнутым ротором можно использовать преобразователь частоты.
Все эти способы так же отличаются друг от друга сложностью, потерями, стоимостью и требуют выбора оптимального способа регулирования для каждого конкретного случая.
Ниже приведены возможные решения с учетом предъявляемых к приводу требований.
двигатель постоянного тока с независимым возбуждением, регулирование напряжения с помощью управляемого выпрямителя;
двигатель постоянного тока с последовательным возбуждением, шунтирование якоря;
двигатели общепромышленного исполнения с короткозамкнутым ротором, частотное управление;
двигатели общепромышленного исполнения с фазным ротором, сопротивления в цепь ротора;
Оценка и сравнение данных вариантов осуществляется с помощью метода экспертных оценок. Выбираем несколько критериев сравнения. В нашем случае это: массогабаритные показатели, потери, стоимость, надежность и плавность регулирования. Каждому из этих критериев присваиваем определенный максимальный бал и затем производим оценку вариантов по этим критериям, выставляя им соответствующие балы. После этой процедуры производится подсчет баллов, набранных каждым из вариантов, и выбирается тот вариант, который имеет наибольший суммарный балл. Диаграмма сравнения приведена на рисунке 3.2.
В результате получили следующее распределение баллов:
Из данных соотношений видно, что максимальный суммарный балл имеет двигатели общепромышленного исполнения с короткозамкнутым ротором и частотным управлением.
4 Расчет силового электропривода
Для предварительного выбора двигателя воспользуемся методом эквивалентного момента, который позволяет оценить двигатель по нагреву и по перегрузочной способности.
Полный цикл работы привода составляет 302,418 с, что меньше, чем 10 минут. Значит привод работает в расчетном режиме S3. Тогда величину эквивалентного момента находим по формуле:

где Мi – величина статического момента на i-ом участке нагрузочной диаграммы, Н×м;
ti – время работы с моментом Мi, с;
За номинальную расчетную скорость двигателя принимаем wн. расч=1000 об / мин = 104.7 рад / с. в установившемся режиме двигатель работает с меньшей скоростью.
Подставляя величины времени и моменты в формулу (4.1), находим величину эквивалентного момента:

Величина расчетной мощности равна:

По данным величинам скорости и мощности выбираем электродвигатель с короткозамкнутым ротором серии 4АР225М6У3 номинального режима S3 со следующими паспортными данными:
номинальная мощность РН = 37 кВт;
синхронная частота вращения w0 = 104.7 рад / с;
номинальный коэффициент мощности cos jН = 0.84;
номинальное скольжение SH=2%;
номинальный ток статора I1Н = 73.8 А;
номинальный коэффициент полезного действия hН = 90.5%;
кратность максимального момента 
кратность пускового момента 
кратность пускового тока IП / IН = 7 А;
момент инерции JДВ = 1.15 кг × м2.
Необходимое условие Р2Н ³ Р2РАСЧ выполняется. Найдем номинальный момент двигателя:


Условие МН ³ МЭКВ выполняется, значит двигатель проходит по нагреву.
Условия выбора преобразователя частоты:
Выбираем преобразователь частоты Hitachi SJ300-370HFE со следующими паспортными данными:
номинальная мощность 37 кВт
номинальный ток 75 А
диапазон частот 0.1 – 400 Гц ±0.01%
точность поддержания скорости ±0.5%
Преобразователь обеспечивает защиту двигателя с помощью электронного термореле.
Преобразователь обеспечивает торможение. Время разгона и торможения двигателя задается независимо друг от друга в интервале от 0.01 до 3600 секунд. Могут быть заданы два значения времени разгона и два значения времени торможения.
Также в преобразователе имеется встроенный регулятор тока и есть возможность организовать пропорциональный (П), пропорционально-интегральный (ПИ) или пропорционально-интегрально-дифференциальный (ПИД) регулятор скорости.
Для преобразователя не нужен трансформатор.
5 Расчет статических механических и электромеханических характеристик двигателя и привода
5.1 Расчет статических механической и электромеханической характеристик двигателя
Для асинхронного двигателя расчет статических механических характеристик ведется по формуле Клосса.
Величина критического скольжения находится по формуле:

Формула для расчета механической характеристики имеет вид:



Подставляя в формулу Клосса различные значения скольжения (угловой скорости), получаем ряд точек, по которым строим естественную механическую характеристику двигателя. Расчет механической характеристики двигателя проводим с помощью пакета Mathcad 2003
Рисунок 5.1 – График естественной механической характеристики.





Подставляя в эту формулу известные значения номинального тока статора, кратности максимального момента, критического скольжения и q, а так же различные значения скольжения (скорости), получаем различные значения тока ротора, по которым затем строится график электромеханической характеристики. Расчет электромеханической характеристики двигателя производим с помощью пакета Mathcad 2003.
Рисунок 5.2. – Электромеханическая характеристика двигателя
Так как для регулирования скорости применяется ПИ – регулятор (будет показано ниже), который дает нулевую статическую ошибку, поэтому механическая характеристика привода будет абсолютно жесткой.
Рисунок 5.3. – Механические характеристики привода.
Моделирование работы электропривода будем проводить в среде Mathlab 6.5.
Так как частота коммутации вентелей в преобразователе частоты очень велика (порядка 15000 гц), то его постоянная времени очень мала и можно ей пренебречь. Преобразователь частоты при моделировании представим линейным звеном с коэффициентом передачи КПЧ.
Рисунок 6.1 – Структурная схема преобразователя частоты.
Мы имеем двухмассовую расчетную схему механической части. Выражения для двухмассовой расчетной схемы:

Значение МС зависит от вида нагрузки. Так как нагрузка активная(потенциальная), то МС=Const.
Структурная схема двухмассовой расчетной схемы механической части представлена на рисунке 6.2:
Рисунок 6.2 – Структурная схема механической части.
Для моделирования асинхронного двигателя используем линеаризованную модель:

или в операторной форме:

где 



Схема линеаризованной модели асинхронного двигателя представлена на рисунке 6.3.
Рисунок 6.3 – Линеаризованная модель асинхронного двигателя.
Максимальное значение момента двигателя:

Коэффициент передачи преобразователя по частоте определяется отношением максимального сигнала на выходе преобразователя к максимальному сигналу на выходе регулятора момента:

Максимальное значение момента ограничения равно критическому моменту естественной характеристики двигателя:

Из уравнения (6.3) находим Крм:

Регулятор момента представляется в виде П–регулятора.
Предельное значение коэффициента усиления обратной связи, обеспечивающее регулирования момента с нулевой ошибкой:

Для расчета контура скорости представим контур момента в виде звена:


получим передаточную функцию оптимизированного контура регулирования момента:

где
Коэффициент передачи датчика отрицательной обратной связи по скорости рассчитывается как отношение напряжение задания на соответствующее значение максимальной скорости:

Малой некомпенсируемой постоянной времени контура регулирования скорости является электромагнитная постоянная двигателя, т.е. принимаем 
Большой компенсируемой постоянной времени контура регулирования скорости является механическая постоянная двигателя.
Для получения нулевой ошибки в статике и форсировки переходных процессов в динамике регулятор скорости должен быть представлен в виде ПИ – регулятора.
Настроим регулятор скорости на симметричный оптимум.
Желаемая передаточная функция контура скорости настроенного на симметричный оптимум:

Передаточная функция объекта регулирования:

Разделив желаемую передаточную функцию контура скорости, на передаточную функцию объекта регулирования, получим передаточную функцию регулятора скорости:



Где 


Расчет переходных процессов производятся в пакете Matlab 6.5.
Модель для исследования работы привода мостового крана приведена на рисунке 6.5:
Рисунок 6.5 – Модель для исследования работы привода мостового крана.
7 Проверка правильности расчета мощности и окончательный выбор двигателя
Проверку правильности расчета мощности выполним методом средних потерь.
Полные номинальные потери в двигателе равны:

Переменные номинальные потери в двигателе равны:

Тогда постоянные потери будут равны:

Средние потери за цикл работы равны:

где 


Тц=302 с. – время цикла.
Потери в i-й момент времени можно определить из следующего выражения:




Подставляя (7.6) в (7.4) получим:

Используя выражения (7.7) найдем средние потери за цикл работы. Для нахождения средних потерь по формуле (7.7) воспользуемся моделью привода.
Сначала возводим в квадрат момент электромагнитный двигателя. Потом делим полученное значение на квадрат номинального момента и прибавляем 

Модель для нахождения средних потерь за цикл работы представлена на рисунке 17.
В результате моделирования было получено, что средние потери за цикл работы равны: 
Тогда коэффициент загрузки двигателя составляет:

Следовательно двигатель загружен на 84,32% (что больше 70%), поэтому окончательно выбираем данный двигатель.
Схема электрическая принципиальная привода приведена в графической части курсового проекта.
Преобразователь изображен на схеме в виде блока UZ1.
Входное напряжение на преобразователь подается через клеммы R, S и T. Двигатель подключается к клеммам U, V и W. К клеммам В1 и В2 подключается тормозной блок и блок тормозного резистора.
Необходимо обеспечить защиту электропривода от токов короткого замыкания.
Управление преобразователями частоты осуществляется посредством набора параметров, позволяющих осуществлять выбор, активизацию или, наоборот, запрет той или иной функции, задание значения параметра, а также контролировать текущее значение параметра. Параметры можно изменять и устанавливать кнопками клавиатуры пульта управления преобразователя, находящегося на передней панели.
Выбор элементов схемы
Автоматические выключатели выбираются по следующим критериям:
— по номинальному напряжению цепи;
Uном.авт – номинальное напряжение аппарата (В);
Iуст.макс.расц. – ток уставки максимального расцепителя
Iном.дв. – номинальный ток двигателя;
Выбираем автоматический выключатель QF1:
Параметры автоматического выключателя:
Количество полюсов 3;
количество вспомогательных контактов: 1 замыкающий; 1 размыкающий;
В данном курсовом проекте необходимо было выбрать необходимый тип электропривода, выбрать двигатель для данного привода по рассчитанной мощности. Далее необходимо было построить схему управления и защиты для данного привода, выбрать элементы этих схем, рассчитать переходные процессы и определить правильно ли выбран двигатель. Так в данном курсовом проекте эквивалентный момент составил 99 процентов от номинального, то двигатель проходит по нагреву, причём мощность не завышена, что подтверждает правильность выбора.
1. Справочник по автоматизированному электроприводу / Под ред. В.А. Елисеева, А.В. Шинянского. М.: Энергоатомиздат, 1983. 450 с.
2. Справочник по крановым электродвигателям / Под ред. В.М. Рабинович. М.: Энергоатомиздат, 1988. 318 с.
3. УДК 62 – 83 Теория электрического привода: Методические указания по курсовому проектированию. – ч.1 – Могилев: МГТУ, 2003. – 48с.
4. УДК 62 – 83 Теория электрического привода: Методические указания по курсовому проектированию. – ч.2 – Расчет статических характеристик электрических машин. – Могилев: МГТУ, 2003. – 47с.























c.(1.1)
м.(1.2)
с.(1.3)
,c(1.4)
,м(1.5)
,с(1.6)
c.(1.7)
с.(1.8)
,с(1.9)
2·t1+t2+2·t3+t4+2·t5+t6+2·t7+t8=193.858 с.(1.10)
с.(1.11)
с.(1.12)
%(1.13)
рад/с.(1.14)
рад/с.(1.15)
Н.м(1.16)
(1.17)
Н.м,(1.18)
Н.м,(1.19)
(1.20)
(1.21)
(1.22)
,(1.23)
,
(1.25)

(1.28)
(1.29)
,
(1.31)
(1.32)
,
Н*м.(1.35)
Н*м(1.36)
Н*м.(1.38)
Н*м.(1.39)






























