Погрешности измерений. Электрические измерения. Основные понятия.
Электрические измерения. Основные понятия.
Электроизмерительные приборы могут быть классифицированы по различным признакам. Различают аналоговые и цифровые: показывающие и регистрирующие; стационарные и переносные. Электроизмерительные приборы делятся по роду измеряемой величины, например, амперметр, вольтметр.
Результатом измерения является некоторое число, дающее количественную информацию об измеряемой величине. Результат измерения выражается в принятых единицах измерения.
Единицы измерения устанавливаются в каждой стране особым законодательством с учетом рекомендаций международных организаций. Основной системой измерения в международной практике является система СИ. Эталонами физических величин называют средства измерений или комплекс средств измерений, обеспечивающих воспроизведение и хранение единицы измерения с целью передачи её размера нижестоящим по поверочной схеме средствам измерений.
В зависимости от точности эталоны различаются следующим образом:
Первичный эталон— эталон, который обеспечивает воспроизведение и хранение единицы измерения с наивысшей достижимой при данном уровне развития науки и техники точностью. Хранится в особых условиях.
Вторичный эталон— эталон, значение которого устанавливается по первичному эталону, является международным.
Государственный эталон является эталоном, исходящим для данной страны.
Рабочий эталон – эталон, применяемый для передачи размера единицы образцовым средствам измерения высшей точности. Рабочий эталон предназначен для практического применения при поверке и градуировке различных мер.
Мерой называют вещественное воспроизведение единицы измерения, её дробного или кратного значения с определённой наперёд заданной точностью. Меры имеют меньшую точность по сравнению с эталонами. Различают однозначные, многозначные меры и набор мер.
Однозначная мера воспроизводит физическую величину одного размера.
Многозначная мера воспроизводит ряд одноимённых величин разного размера.
Набор мер представляет собой специально подобранный комплект мер, применяемых не только по отдельности, но и различных сочетаниях с целью воспроизведения ряда одноимённых величин различного размера.
Виды измерений
Существует два способа измерения физической величины: прямой и косвенный.
При прямом измерении значение искомой, величины определяется непосредственно из экспериментальных данных, например, с помощью стрелочных приборов. Уравнение прямого измерения:

При косвенном измерении значение искомой величины определяется по результатам прямого измерения других величин, связанных с искомой известной зависимостью. Уравнение косвенного измерения:

где 

Косвенное измерение сопротивления производится с помощью приборов, используемых для прямого измерения тока I и напряжения U, а величина сопротивления определяется по закону Ома:
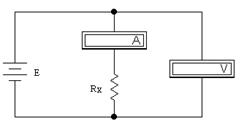
Существуют две схемы косвенного измерения (рисунок 7.1, 7.2).
Рисунок 7.1 Рисунок 7.2
При измерении сопротивления по схеме (рисунок 7.1) погрешность возникает за счет того, что амперметр учитывает не только ток, протекающий через сопротивление, но и ток, протекающий через вольтметр.
При измерении сопротивления по схеме (рисунок 7.2) погрешность возникает из-за того, что вольтметр кроме падения напряжения на сопротивлении
учитывает также значение падения напряжения на амперметре.
Действительные значения сопротивления с учетом погрешности, вносимой измерительными приборами, определяются по следующим формулам:
— для схемы, изображенной на рисунке 7.1:
— для схемы, изображенной на рисунке 7.2:
Очевидно, что схема, изображенная на рисунке 7.1, дает меньшую погрешность при измерении сопротивления малой величины, а схема, изображенная на рисунке 7.2, дает меньшую погрешность при измерении сопротивления большой величины.
Дата добавления: 2016-02-09 ; просмотров: 2953 ; ЗАКАЗАТЬ НАПИСАНИЕ РАБОТЫ
Измерение основных электрических величин
1. Измерение электрического тока
Электрический ток измеряется амперметром.
Если измеряемый ток не превышает пределов измерения данного амперметра, то его можно измерить включением амперметра непосредственно в цепь (рис. 1).
Для измерения больших токов используются шунты на постоянном токе (рис. 2) и трансформаторы тока на переменном токе (рис. 3).
Рис. 1. Схема включения амперметра непосредственно в цепь
Рис. 2. Схема включения амперметра с шунтом
Рис. 3. Схема включения амперметра с помощью трансформаторов тока: Л1, Л2 — зажимы первичной обмотки трансформатора тока; И1, И2 — зажимы вторичной обмотки трансформатора
2. Измерение электрического напряжения
Электрическое напряжение измеряется вольтметром.
Если измеряемое напряжение не превышает пределов измерения данного вольтметра, то оно может быть измерено путем непосредственного включения вольтметра в сеть (рис. 4).
Для расширения пределов измерения применяют добавочное сопротивление при измерении постоянного напряжения и трансформаторы напряжения (можно использовать и добавочное сопротивление) при измерении переменного напряжения (рис. 5 и 46).
Необходимо иметь в виду, что должно быть использовано то добавочное сопротивление, которое предназначено для данного вольтметра.
Рис. 4. Схема включения вольтметра непосредственно в цепь
Рис. 5. Схема включения вольтметра с добавочным сопротивлением
Рис. 6. Схема включения вольтметра с помощью трансформатора напряжения: А, Х — зажимы первичной обмотки трансформатора напряжения; а, х — зажимы вторичной обмотки трансформатора напряжения; ПР — плавкие предохранители
3. Измерение электрической мощности
Электрическая мощность измеряется ваттметром — прибором, имеющим две обмотки: токовую и напряжения (рис. 7).
Шкала ваттметра проградуирована в ваттах или киловаттах.
Расширение пределов измерения на постоянном токе по напряжению производится с помощью добавочных сопротивлений — шунтов. При измерениях на переменном токе расширение пределов производится с помощью трансформаторов тока и напряжения (рис. 8). При этом необходимо соблюдать правильность включения генераторных клемм (*) ваттметра.
Измерение мощности в трехфазных трехпроводных сетях производится с помощью двух однофазных ваттметров, включенных в две фазы по схеме (рис. 9). В трехфазных четырехпроводных сетях измерение активной мощности производится с помощью трех однофазных ваттметров (рис. 10) или одним трехэлементным ваттметром.
Расширение пределов измерения производится с помощью трансформаторов тока и напряжения. В этих же сетях для измерения мощности применяется трехфазный ваттметр (рис. 11).
Рис. 7. Схема включения однофазного ваттметра: 1 — последовательная (токовая) катушка; 2 — параллельная (напряжения) катушка; rg — добавочное сопротивление
Рис. 8. Схема включения ваттметра с помощью трансформаторов тока и напряжения
Рис. 9. Схема измерения активной мощности в трехфазной трехпроводной сети двумя ваттметрами: Робщ = Р1 + Р2
Рис. 10. Схема измерения активной мощности в трехфазной четырехпроводной сети тремя ваттметрами: Робщ = Р1 + Р2 + Р3
Рис. 11. Схема включения трехфазного ферродинамического ваттметра
4. Измерение электроэнергии
Выбор приборов. Учет электроэнергии в сетях переменного тока производится с помощью счетчика индукционной системы. Индукционные счетчики выпускаются в однофазном и трехфазном исполнении, причем последние бывают двух модификаций — для трехи четырехпроводной сети.
Измерение расхода активной и реактивной энергии в трехфазной сети может в принципе производиться счетчиками одного и того же типа при включении их по соответствующим схемам.
Чтобы исключить возможность неправильного подключения счетчика и обеспечить правильный учет расхода активной и реактивной энергии, промышленностью выпускаются специальные счетчики активной и реактивной энергии.
Для измерения в трехфазных сетях активной энергии применяются счетчики типов СА3, СА4, СА4У; реактивной энергии — СР3, СР4, СР4У. Цифра 3 в обозначении типа счетчика указывает, что он предназначен для трехпроводной сети, 4 — для четырехпроводной.
Счетчики типов СА4У, СР4У — универсальные, выполняются для включения только с измерительными трансформаторами. Концы обмоток тока и напряжения этих счетчиков выведены на отдельные изолированные друг от друга зажимы. Благодаря этому имеется возможность включать токовые цепи счетчиков активной и реактивной энергии на общие трансформаторы тока.
Остальные типы трехфазных счетчиков Ч трансформаторного и непосредственного (прямого) включения.
Для учета энергии в цепях однофазного тока используются счетчики типа СО. Счетчики активной энергии выпускаются классов точности 1,0; 2,0; 2,5; счетчики реактивной энергии — классов точности 2,0; 2,5; 4,0.
Погрешности измерений электроэнергии, требования к измерительным трансформаторам. При непосредственном включении счетчика в сеть погрешность измерения расхода электроэнергии определяется классом точности самого счетчика. Включение счетчика через измерительные трансформаторы вносит дополнительную погрешность, и точность измерений уменьшается.
Для учета электроэнергии применяются трансформаторы тока класса 0,2; 0,5; 1. Обеспечить необходимую точность измерений можно при условии, что сопротивление токовых катушек всех счетчиков и соединительных проводов, включенных во вторичную цепь, не превышает допустимую номинальную нагрузку трансформаторов тока.
Для ориентировочных расчетов следует принимать сопротивление токовой катушки счетчика равным 0,05 Ом, а сопротивление соединительных проводов — 0,2 Ом.
Рассчитанные из этих соображений наименьшие допустимые сечения соединительных проводов указанных цепей приведены в таблице.
Таблица 4.1. Наименьшие допустимые сечения проводов от трансформаторов тока к счетчикам
Основные электрические величины
Рассмотрим основные электрические величины, которые мы изучаем сначала в школе, затем в средних и высших учебных заведениях. Все данные для удобства сведем в небольшую таблицу. После таблицы будут приведены определения отдельных величин, на случай возникновения каких-либо непониманий.
Существуют десятичные приставки, которые используются в названии величины и служат для упрощения описания. Самые распространенные из них: мега, мили, кило, нано, пико. В таблице приведены и остальные приставки, кроме названных.
Сила электрического тока в 1А – это величина, равная отношению заряда в 1 Кл, прошедшего за 1с времени через поверхность (проводник), к времени прохождения заряда через поверхность. Для протекания тока необходимо, чтобы цепь была замкнутой.
Сила тока измеряется в амперах. 1А=1Кл/1c
В практике встречаются
Электрическое напряжение – разность потенциалов между двумя точками электрического поля. Величина электрического потенциала измеряется в вольтах, следовательно, и напряжение измеряется в вольтах (В).
1Вольт – напряжение, которое необходимо для выделения в проводнике энергии в 1Ватт при протекании по нему тока силой в 1Ампер.
Единица измерения напряжения электрического тока представляет собой следующее отношение 1В=1Вт/1А.
В практике встречаются следующие варианты единиц измерения электрического потенциала, а точнее разности потенциалов:
Электрическое сопротивление – характеристика проводника препятствовать протеканию по нему электрического тока. Определяется как отношение напряжения на концах проводника к силе тока в нем. Измеряется в омах (Ом). В некоторых пределах величина постоянная.
1Ом – сопротивление проводника при протекании по нему постоянного тока силой 1А и возникающем при этом на концах напряжении в 1В.
Из школьного курса физики все мы помним формулу для однородного проводника постоянного сечения:
R=ρlS – сопротивление такого проводника зависит от сечения S и длины l
где ρ – удельное сопротивление материала проводника, табличная величина.
Между тремя вышеописанными величинами существует закон Ома для цепи постоянного тока.
Ток в цепи прямо пропорционален величине напряжения в цепи и обратно пропорционален величине сопротивления цепи – закон Ома.
Электрической емкостью называется способность проводника накапливать электрический заряд.
Емкость измеряется в фарадах (1Ф).
1Ф – это емкость конденсатора между обкладками которого возникает напряжение 1В при заряде в 1Кл.
В практике встречаются
Индуктивность – это величина, характеризующая способность контура, по которому протекает электрический ток, создавать и накапливать магнитное поле.
Индуктивность измеряется в генри.
1Гн – величина, равная ЭДС самоиндукции, возникающей при изменении величины тока в контуре на 1А в течение 1секунды.
В практике встречаются
Электрическая проводимость – величина, показывающая способность тела проводить электрический ток. Обратная величина сопротивлению.
Что означает класс точности измерительного прибора
Класс точности измерительного прибора — это обобщенная характеристика, определяемая пределами допускаемых основных и дополнительных погрешностей, а также другими свойствами, влияющими на точность, значения которых установлены в стандартах на отдельные виды средств измерений. Класс точности средств измерений характеризует их свойства в отношении точности, но не является непосредственным показателем точности измерений, выполняемых при помощи этих средств.
Основные способы нормирования допускаемых погрешностей и обозначения классов точности средств измерений установлены ГОСТ.

Если обозначаемое на шкале значение класса точности обведено кружком, например 1,5, это означает, что погрешность чувствительности δ s =1,5%. Так нормируют погрешности масштабных преобразователей (делителей напряжения, измерительных шунтов, измерительных трансформаторов тока и напряжения и т. п.).
Это означает, что для данного измерительного прибора погрешность чувствительности δ s= d x/x — постоянная величина при любом значении х. Граница относительной погрешности δ (х) постоянна и при любом значении х просто равна значению δ s, а абсолютная погрешность результата измерений определяется как d x= δ sx
Для таких измерительных приборов всегда указывают границы рабочего диапазона, в которых такая оценка справедлива.
Если на шкале измерительного прибора цифра класса точности не подчеркнута, например 0,5, это означает, что прибор нормируется приведенной погрешностью нуля δ о=0,5 %. У таких приборов для любых значений х граница абсолютной погрешности нуля d x= d о=const, а δ о= d о/хн.

На измерительных приборах с резко неравномерной шкалой (например на омметрах) класс точности указывают в долях от длины шкалы и обозначают как 1,5 с обозначением ниже цифр знака «угол».
Раздел 1. Общие правила
Глава 1.6. Измерения электрических величин
1.6.1. Настоящая глава Правил распространяется на измерения электрических величин, осуществляемых при помощи стационарных средств (показывающих, регистрирующих, фиксирующих и др.).
Правила не распространяются на лабораторные измерения и на измерения, осуществляемые с помощью переносных приборов.
Измерения неэлектрических величин, а также измерения других электрических величин, не регламентированных Правилами, требуемые в связи с особенностями технологического процесса или основного оборудования, выполняются на основании соответствующих нормативных документов.
Общие требования
1.6.2. Средства измерений электрических величин должны удовлетворять следующим основным требованиям:
1) класс точности измерительных приборов должен быть не хуже 2,5;
2) классы точности измерительных шунтов, добавочных резисторов, трансформаторов и преобразователей должны быть не хуже приведенных в табл. 1.6.1.
3) пределы измерения приборов должны выбираться с учетом возможных наибольших длительных отклонений измеряемых величин от номинальных значений.
1.6.3. Установка измерительных приборов должна, как правило, производиться в пунктах, откуда осуществляется управление.
На подстанциях и гидроэлектростанциях без постоянного дежурства оперативного персонала допускается не устанавливать стационарные показывающие приборы, при этом должны быть предусмотрены места для присоединения переносных приборов специально обученным персоналом.
1.6.4. Измерения на линиях электропередачи 330 кВ и выше, а также на генераторах и трансформаторах должны производиться непрерывно.
На генераторах и трансформаторах гидроэлектростанций допускается производить измерения периодически с помощью средств централизованного контроля.
Допускается производить измерения «по вызову» на общий для нескольких присоединений (за исключением указанных в первом абзаце) комплект показывающих приборов, а также применять другие средства централизованного контроля.
1.6.5. При установке регистрирующих приборов в оперативном контуре пункта управления допускается не устанавливать показывающие приборы для непрерывного измерения тех же величин.
Измерение тока
1.6.6. Измерение тока должно производиться в цепях всех напряжений, где оно необходимо для систематического контроля технологического процесса или оборудования.
1.6.7. Измерение постоянного тока должно производиться в цепях:
1) генераторов постоянного тока и силовых преобразователей;
2) аккумуляторных батарей, зарядных, подзарядных и разрядных устройств;
3) возбуждения синхронных генераторов, компенсаторов, а также электродвигателей с регулируемым возбуждением.
Амперметры постоянного тока должны иметь двусторонние шкалы, если возможно изменение направления тока.
1.6.8. В цепях переменного трехфазного тока следует, как правило, измерять ток одной фазы.
Измерение тока каждой фазы должно производиться:
1) для синхронных турбогенераторов мощностью 12 МВт и более;
2) для линий электропередачи с пофазным управлением, линий с продольной компенсацией и линий, для которых предусматривается возможность длительной работы в неполнофазном режиме; в обоснованных случаях может быть предусмотрено измерение тока каждой фазы линий электропередачи 330 кВ и выше с трехфазным управлением;
3) для дуговых электропечей.
Измерение напряжения
1.6.9. Измерение напряжения, как правило, должно производиться:
1) на секциях сборных шин постоянного и переменного тока, которые могут работать раздельно.
Допускается установка одного прибора с переключением на несколько точек измерения.
На подстанциях допускается измерять напряжение только на стороне низшего напряжения, если установка трансформаторов напряжения на стороне высшего напряжения не требуется для других целей;
2) в цепях генераторов постоянного и переменного тока, синхронных компенсаторов, а также в отдельных случаях в цепях агрегатов специального назначения.
При автоматизированном пуске генераторов или других агрегатов установка на них приборов для непрерывного измерения напряжения не обязательна;
3) в цепях возбуждения синхронных машин мощностью 1 МВт и более. В цепях возбуждения гидрогенераторов измерение не обязательно;
4) в цепях силовых преобразователей, аккумуляторных батарей, зарядных и подзарядных устройств;
5) в цепях дугогасящих реакторов.
1.6.10. В трехфазных сетях производится измерение, как правило, одного междуфазного напряжения. В сетях напряжением выше 1 кВ с эффективно заземленной нейтралью допускается измерение трех междуфазных напряжений для контроля исправности цепей напряжением одним прибором (с переключением).
1.6.11. Должна производиться регистрация значений одного междуфазного напряжения сборных шин 110 кВ и выше (либо отклонения напряжения от заданного значения) электростанций и подстанций, по напряжению на которых ведется режим энергосистемы.
Контроль изоляции
1.6.12. В сетях переменного тока выше 1 кВ с изолированной или заземленной через дугогасящий реактор нейтралью, в сетях переменного тока до 1 кВ с изолированной нейтралью и в сетях постоянного тока с изолированными полюсами или с изолированной средней точкой, как правило, должен выполняться автоматический контроль изоляции, действующий на сигнал при снижении сопротивления изоляции одной из фаз (или полюса) ниже заданного значения, с последующим контролем асимметрии напряжения при помощи показывающего прибора (с переключением).
Допускается осуществлять контроль изоляции путем периодических измерений напряжений с целью визуального контроля асимметрии напряжения.
Измерение мощности
1.6.13. Измерение мощности должно производиться в цепях:
При установке на генераторах мощностью 100 МВт и более щитовых показывающих приборов их класс точности должен быть не хуже 1,0.
На электростанциях мощностью 200 МВт и более должна также измеряться суммарная активная мощность.
Рекомендуется измерять суммарную активную мощность электростанций мощностью менее 200 МВт при необходимости автоматической передачи этого параметра на вышестоящий уровень оперативного управления;
Для трансформатора, работающего в блоке с генератором, измерение мощности со стороны низшего напряжения следует производить в цепи генератора;
На подстанциях 110-220 кВ без выключателей на стороне высшего напряжения измерение мощности допускается не выполнять. При этом должны предусматриваться места для присоединения контрольных показывающих или регистрирующих приборов;
7) на других элементах подстанций, где для периодического контроля режимов сети необходимы измерения перетоков активной и реактивной мощности, должна предусматриваться возможность присоединения контрольных переносных приборов.
1.6.14. При установке щитовых показывающих приборов в цепях, в которых направление мощности может изменяться, эти приборы должны иметь двустороннюю шкалу.
1.6.15. Должна производиться регистрация:
1) активной мощности турбогенераторов (мощностью 60 МВт и более);
2) суммарной мощности электростанций (мощностью 200 МВт и более).
Измерение частоты
1.6.16. Измерение частоты должно производиться:
1) на каждой секции шин генераторного напряжения;
2) на каждом генераторе блочной тепловой или атомной электростанций;
3) на каждой системе (секции) шин высшего напряжения электростанции;
4) в узлах возможного деления энергосистемы на несинхронно работающие части.
1.6.17. Регистрация частоты или ее отклонения от заданного значения должна производиться:
1) на электростанциях мощностью 200 МВт и более;
2) на электростанциях мощностью 6 МВт и более, работающих изолированно.
1.6.18. Абсолютная погрешность регистрирующих частотомеров на электростанциях, участвующих в регулировании мощности, должна быть не более ± 0,1 Гц.
Измерения при синхронизации
1.6.19. Для измерений при точной (ручной или полуавтоматической) синхронизации должны предусматриваться следующие приборы: два вольтметра (или двойной вольтметр); два частотомера (или двойной частотомер); синхроноскоп.
Регистрация электрических величин в аварийных режимах
1.6.20. Для автоматической регистрации аварийных процессов в электрической части энергосистемы должны предусматриваться автоматические осциллографы.
Расстановку автоматических осциллографов на объектах, а также выбор регистрируемых ими электрических параметров, как правило, следует производить в соответствии с рекомендациями, приведенными в табл. 1.6.2 и 1.6.3.
По согласованию с энергосистемами (районными энергетическими управлениями) могут предусматриваться регистрирующие приборы с ускоренной записью при аварии (для регистрации электрических параметров, не контролируемых с помощью автоматических осциллографов).
Таблица 1.6.2. Рекомендации по расстановке автоматических аварийных осциллографов на объектах энергосистем




















